Submeter: Un submeter est un dispositif installé en aval à partir de un utilitaire mètre tel comme un électrique mètre, gaz mètre, ou eau mètre. La but de un submeter est à avec précision mesurer et surveiller énergie usage pour ciblée charges. Exemple: Un commun application pour un submeter est un appartement bâtiment où propriété gestion voudrais comme à facture chaque locataire pour réel électrique usage plutôt de deviner ou moyenne usage.
Que est un submeter?
VerifEye Énergie Information Submetering Logiciel
Base Module, Avancé Rapports Module et Locataire Facturation Module; tous accessible en ligne.
Submeters
Submeters capturer précis mesures de puissance consommation pour stratégique énergie gestion.
Mise en réseau Dispositifs de pour Submetering
Submetering données intègre avec autre critique énergie capteurs à fournir un complet énergie surveillance solution.
Courant Transformateurs pour Submeters
Courant transformateurs mesurer la électrique courant coulant à travers la ligne.
Que est submetering?
La mesures de consommation (électrique, eau, gaz, etc.) en aval de un utilitaire entreprise mètre.
Comment beaucoup submetering est nécessaire?
Cette est application dépendant. Voir exemple à la droit.
Pourquoi utiliser submetering?
- Locataire Facturation
- Énergie Surveillance
- Motivation: Une fois locataires devenir responsable pour énergie consommation, usage statistiquement gouttes*
- Argent-Économie: Long-terme épargnes à partir de 15-20%
- Énergie consommation boîte varier comme beaucoup comme 250% en comme aménagements
- Objectif est coût épargnes à travers énergie efficacité
La reddition de comptes pour Long-Terme Épargnes *Cas étudier par NYSERDA 1991-Carlyle et Scott Tours, Nouveau York Ville, Nouveau York État Énergie Recherche et Développement Autorité.Résidentiel Submetering Cas Étudier, Carlyle Tours & Scott Tours, October 1997
Californie Titre 24 2022 Exigences
- Section 130.5(un) & (b)—Service Mesure, Désagrégation de Électrique Circuits
- Chaque électrique service doit avoir en permanence installé utilisateur-accessible mesure de total électrique énergie utiliser par Table 130.5-A.
- Cette ne pas appliquer à bâtiments pour qui la utilitaire entreprise fournit un mètre pour occupant ou utilisateur utiliser que indique instantané kW demande et kWh pour un utilisateur-remise à zéro période
- Chaque nouvellement installé standard, panneau, et moteur contrôler centre (en tous les deux existant et nouvellement installé construction bâtiments) il faut être conçu à permettre la ventilées mesures de électrique charger énergie en aval selon à la exigences de Table 130.5-B.
Rapide Prendre: Nouvellement installé mètres il faut être capable de ventilées mesures de électrique charges, qui boîte être vu en aval à partir de la mètre.
Code Conformité: Table 130.5-A: Titre 24
- Minimum Exigences pour Mesure Électrique Charges
| Mètre Type | Services <50kVa | Services 50-250 kVa | Services 250-1000 kVa | Services >1000kVa |
| 208V 3PH | 0-139 | 139-690 | 690-2775 | >2775 |
| 480V 3PH | 0-60 | 60-300 | 300-1200 | >1200A |
| Instantané (à la temps) kWhdemand | Requis | Requis | Requis | Requis |
| HistoricPeak Demande (kW) | Pas Requis | Pas Requis | Requis | Requis |
| ResettablekWh | Requis | Requis | Requis | Requis |
| kWhper taux période | Pas Requis | Pas Requis | Pas Requis | Requis |
Additif et soustractive méthodes boîte être d'occasion à déterminer total et ventilées énergie usage! Utiliser Logiciel et Mise en réseau
Code Conformité: Table 130.5-A: Titre 24
- Minimum Exigences pour Séparation de Électrique Charges
| Mètre Type | Services <50kVa | Services 50-250 kVa | Services 250-1000 kVa | Services >1000kVa |
| 208V 3PH | 0-139 | 139-690 | 690-2775 | >2775 |
| 480V 3PH | 0-60 | 60-300 | 300-1200 | >1200A |
| HVAC systèmes et composants; refroidisseurs, refroidissement tours, circulateur pompes, etc. | Pas Requis | Tous HVAC charges en total | Tous HVAC charges en total et chaque HVAC charger =50kVA ou plus grand | Tous HVAC charges en total et chaque HVAC charger =50kVA ou plus grand |
| Domestique et Service Eau système pompes et autre système composants | Pas Requis | Tous charges en total | Tous charges en total | Tous charges en total |
| Ascenseurs, Escaliers mécaniques, En mouvement Marche, etc. | Pas Requis | Tous charges en total | Tous charges en total | Tous charges en total |
Titre 24 ne pas spécifier données acquisition méthodes ou données stockage et présentation méthodologie
Code Conformité: Table 130.5-A: Titre 24
- Minimum Exigences pour Séparation de Électrique Charges
| Mètre Type | Services <50kVa | Services 50-250 kVa | Services 250-1000 kVa | Services >1000kVa |
| 208V 3PH | 0-139 | 139-690 | 690-2775 | >2775 |
| 480V 3PH | 0-60 | 60-300 | 300-1200 | >1200A |
| Éclairage y compris sortie, évacuer, et extérieur | Pas Requis | Tous charges en total | Tous éclairage ventilées par étage, type, ou zone | Tous éclairage ventilées par étage, type ou zone |
| Bouchon charger, y compris appareils nominale < 25kva | Pas Requis | -Tous bouchon charges en total -Groupes de bouchon charges dépassement 25 kVa lié charger en un zone < 5000 ft2 | -Tous bouchon charges séparé par étage, type, ou zone -Groupes de bouchon charges dépassement 25 kVa lié charger en un zone < 5000 ft2 | -Tous bouchon charges separatedby étage, type, ou zone -Tous groupes de bouchon charges dépassement 25 kVa lié charger en un zone <5,000 ft2 |
| ChargingStations | Tous charges en total | Tous charges en total | Tous charges en total | Tous charges en total |
| Comprend éclairage, bouchon et EV langue seulement. HVAC, Eau pompes, ascenseurs, théâtral, commercial cuisines, renouvelable exigences pas inclus en cette table. Voir T24 détails. | ||||
Titre 24 ne pas spécifier données acquisition méthodes ou données stockage et présentation méthodologie
Code Conformité: Table 130.5-A: Titre 24
- Minimum Exigences pour Séparation de Électrique Charges
| Mètre Type | Services <50kVa | Services 50-250 kVa | Services 250-1000 kVa | Services >1000kVa |
| 208V 3PH | 0-139 | 139-690 | 690-2775 | >2775 |
| 480V 3PH | 0-60 | 60-300 | 300-1200 | >1200A |
| Autre Non HVAC Charges/Appareils nominale à <25kVA | Pas Requis | Tous | Chaque | Chaque |
| Industriel/Commercial charger centres <25kVA à inclure théâtral éclairage/comm cuisines | Pas Requis | Tous | Chaque | Chaque |
| Charges associé w/renouvelable puissance source | Pas Requis | Tous charges en total | Tous charges en total | Tous charges en total |
| Renouvelable Puissance Source (Net ou Total) | Chaque Groupe | Chaque Groupe | Chaque Groupe | Chaque Groupe |
Titre 24 ne pas spécifier données acquisition méthodes ou données stockage et présentation méthodologie
Nouveau York Local Loi 88 (NEW YORK LL 88 – 132/134)
Nouveau York Ville nécessite tous commercial bâtiments plus que 25,000 carrés ft à installer submeters pour tout locataires qui bail à au 5,000 carrés ft de espace
- Modifié par LL 132/134 en 2016 à réduire carré métrage seuils
- Tous commercial bâtiments plus que 25,000 carrés ft (était 50,000) il faut installer submeters pour tout locataires que bail à au 5,000 carrés ft (était 10,000) de espace
- Requis équipement il faut être en lieu par January 1, 2025
- Majorité de NEW YORK commercial baux sont 10 ans long
- Mètres il faut être prévu et installé maintenant à assurer conformité et empêcher locataire perturbation
Seattle Code pour Énergie Mesure
- Nécessite submetering en plus récent bâtiments plus que 20,000 carrés ft, et ajouts plus que 10,000 carrés ft.
- Locataire améliorations où un locataire occupe un tout bâtiment étage il faut être individuellement mesurée.
- Bâtiments avec mesure capacités il faut maintenir que capacité en avenir modifications et ajouts.
- 1202.1-1202.5 Fin Utilisateur Submetering
- La système il faut également recueillir énergie utiliser données pour la total bâtiment et séparément pour chaque de la fin-utiliser catégories en Sections 1202.1 à travers 1202.5.
Ville de Seattle Énergie Mesure Exigences
| Totaux par Charger Type | Énergie Utiliser Mesures |
| 1202.1 HVAC Système Total Énergie Utiliser | Il faut inclure tous énergie pour espace audition, espace refroidissement,ventilation, chaudières, refroidisseurs, pompes, ventilateurs pour fournir, retour, soulagement, épuiser, parking garages |
| 1202.2 LightingSystem Total Énergie Utiliser | Il faut inclure intérieur et extérieur, mais pas bouchon-en tâche éclairage |
| 1202.3 Bouchon Charger SystemTotal Énergie Utiliser | Tous énergie d'occasion par branché-intask éclairage, appareils, et autre équipement |
| 1202.4 Processus LoadTotal Énergie Utiliser | Non bâtiment opérations charges >2% de total (ou partie de Misc) |
| 1202.5 Divers Total Énergie Utiliser | Autre catégories, y compris domestique chaud eau, ascenseurs et escaliers mécaniques, natation piscines |
ASHRAE 90.1 Submetering Exigences
8.4.3.1 Électrique Énergie Surveillance
- Mesures dispositifs de doit être installé en nouveau bâtiments à surveiller la électrique energyuse pour chaque de la suivant séparément:
- Total électrique énergie
- HVAC systèmes
- Intérieur éclairage
- Extérieur éclairage
- Réceptacle circuits
8.4.3.2 Enregistrement et Rapports
- La électrique énergie utiliser pour tous charges spécifié en Section 8.4.3.1 doit être enregistré un minimum de chaque 15 procès-verbal et rapporté à au horaire, quotidien, mensuel, et annuellement.
- La données pour chaque locataire espace doit être fabriqué disponible à que locataire. En bâtiments avec un numérique contrôler système installé à se conformer avec Section 6.4.3.10, la énergie utiliser données doit être transmissible à la numérique contrôler système et graphiquement affiché.
- La système doit être capable de le maintien tous données recueillies pour un minimum de 36 mois.
Rapide Prendre: Électrique énergie dispositifs de sont requis en nouveau bâtiments à surveillance un variété de applications ET énergie usage données il faut être enregistré.
Code Similarité
| Contrôler Type | IECC 2021 | ASHRAE 90.1 2019 | Titre 24 2022 | Résumé de Exigences |
| Service Mesure Désagrégation de Électrique Circuits | ✔ | ✔ | ✔ |
|
États avec Électrique Submetering Législation
- Arizona—les propriétaires boîte mesurer individuel usage et facture locataires pour gaz, eau, électricité, corbeille enlèvement, et des eaux usées
- California—2022 Titre 24, Partie 6 comprend électrique énergie surveillance et désagrégation de charger exigences
- Connecticut—les propriétaires sont requis à obtenir approbation à partir de la Public Les services publics Commission en ordre à submeter
- Quartier de Columbia—les propriétaires boîte submeter la électrique et gaz pour non résidentiel de location unités que sont pas déjà individuellement mesurée
- Floride—électrique utilitaire entreprises sont requis à individuellement mètre pour chaque unité en plus bâtiments
- Indiana—submetering équipement peut être installé en individuel unités avec locataires facturé
- Maryland—commercial et résidentiel submetering et locataire facturation permis avec état commission approbation
- Minnesota—submetering peut pas être limité à bâtiment occupants par public les services publics
- Nouveau Jersey—Nouveau Jersey Bord de Public Les services publics a autorité sur submetering, qui est permis en industriel, commercial, publiquement financé et gouvernement-propriété bâtiments
- Nouveau York—Nouveau York Local Loi 88 nécessite tous commercial bâtiments plus que 25,000 carrés ft il faut installer submeters pour tout locataires que bail à au 5,000 carrés ft de espace
- Oklahoma—MDUs peut être servi par un mètre/submeter système comme opposé à utilitaire mesure
- Oregon—règlements que permettre pour submetering et locataire facturation par les propriétaires
- Texas—nouvellement construit appartements et condos il faut avoir submetering capacités
- Virginie—les propriétaires boîte submeter eau, électricité, et gaz à résidentiel et commercial locataires, avec normes et exigences pour la équipement fixer dehors par la loi
Courant Transformateurs (CT)
- Courant Transformateurs aller autour la conducteur pour chaque circuit à être mesurée.
- 3 De base CT Types
- Solide Cœur (100A –400A)
- Divisé Cœur (100A –1600A)
- Rogowski Bobine (Large gamme 50-5000A)
Types de Courant Transformateurs (CT)
100mA vs 333mV CT Sortie
- Leviton mètres utiliser 2 CT sortie types
- Série 1000, 2000, 3500, 8000 & Mini- Mètre tous utiliser un 100mA sortie
- Série 4000, 4100, 7000, 7100 tous utiliser 333mV sortie
- CT sortie il faut match la mètre CT contribution (100mA / 333mV)
- CT il faut être de taille selon à la intensité de courant de la circuit il est attaché à.
- CT classement il faut être = > que la maximum intensité de courant de la circuit.
- Leviton mètres utiliser 2 CT sortie types
- Solide Cœur CT
- D'occasion pour supérieur (revenu grade) précision et locataire facturation applications
- 100mA –CDA01/02, CDF04
- 333mV –CDV01/02
- D'occasion pour supérieur (revenu grade) précision et locataire facturation applications
- Divisé Cœur CT
- D'occasion pour modifier où déconnexion la conducteur voudrais être problématique.
- D'occasion pour commercial/industriel applications où revenu grade précision est pas un exigence
- 100mA –CTD01/02/04, CTC08/12/16
- 333mV –CTV01/02/04/08
- Rogowski Bobine CT
- D'occasion pour haut intensité de courant circuits
- CRV50 (12”, 16”, 18”, 24” longueurs)
- D'occasion pour haut intensité de courant circuits
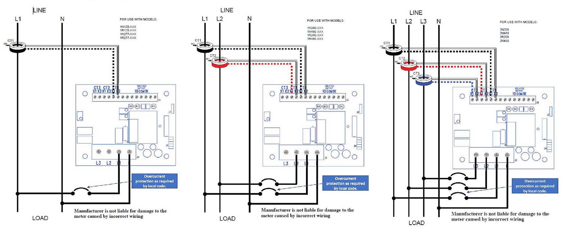
Submeter Câblage Diagrammes
- Chaque CT est lié à la CT contribution sur la mètre, par intérim comme la courant capteur pour la circuit.
- Unique-phase mètres utiliser 1 CT
- 2-phase mètres utiliser 2 CTs
- 3-phase mètres utiliser 3 CTs
- Un CT pour chaque chaud jambe en la circuit.
- Aucun CT sur la Neutre
Commun Questions avec Courant Transformateur Applications
Renversé Polarité
- Négatif kWh lectures
- CTs sont étiquetés indiquant qui côté devrait face la charger.
- Certains mètres avoir un inverser polarité indicateur / ajustement
- Il est toujours meilleur à corriger la erreur par correctement pose la CT
- Si la CT est correctement orienté, vérifier la contribution polarité sur la mètre.
CT Dimensionnement (Mal Intensité de courant)
- Lectures sont directement liée à la système intensité de courant de la mètre et la jumelé CT.
- 200A CT sur un 100A mètre = 50% kWh lecture
- 100A CT sur un 200A mètre = 200% kWhPotential dommage à CT et mètre contribution
Mal CT Sortie (Type 100mA / 333mV)
- Leviton mètres il faut être appariés avec la corriger 100mA ou 333mV sortie CT
- Lectures volonté pas être corriger avec la mal sortie type.
Impulsion Mètres
- Impulsion mètres sont simple, mais hautement fiable
- Idéal quand énergie usage (kWh) est la seulement données requis.
- Signaler kWh comme la somme de un compter de impulsions
- En option Pic kW
- Certains modèles offrir remise à zéro Demande option
- D'occasion largement pour locataire facturation applications
Impulsion Mètre Données
- La mètre mesures kWh et génère un électrique impulsion sortie chaque temps la mètre atteint la spécifié kWh valeur.Typique Valeurs pour Leviton mètres
- 1kWh = 1000 Wh
- 100Wh
- 10Wh = plus détail (plus courte intervalles)
- Chaque impulsion = 10/100/1k-WH
- Impulsions sont converti tokWh énergie usage pour rapports
Avantages
- Simple à installer & commission
- Coût efficace
- Fiable
- Données sortie est très petit
- Beaucoup de disponible modèles pour unique-phase, 2-phase et 3-phase applications
Contre
- Limité données sortie –kWh / Demande
- Aucun à bord utilisateur interface
- Aucun avancé communications interface pour mise en réseau
Leviton Impulsion Mètres (Électrique)
- Mini- Mètre
- Unique et Double-phase modèles (100A & 200A)
- Divers enceinte les options
- Multiples-Mètre Unité (MMU)
- Série 1000
- Unique-phase (100A –800A)
- Intérieur et De plein air enceinte les options
- Série 2000
- 3-phase (100A –1200A)
- Intérieur et De plein air enceinte
- Multiples-Mètre Unité (MMU)
Leviton Impulsion Mètres (Gaz & Eau)
Gaz Mètres
- 200–400 Cubique Ft./Heure. Modèles à costume plus applications
- Standard impulsion sortie –CFH
- Compatible avec Leviton EMH et sans fil AMR
- Connecteur ensembles inclus avec la mètre
Eau Mètres
- Chaud & froid eau mètres pour résidentiel et commercial applications
- Un variété de modèles à partir de ¾” à 2.0”
- Standard impulsion sortie –Fille.
- Compatible avec Leviton EMH et sans fil AMR
- Accouplements inclus avec la commercial mètres
Avancé Mètres
- Avancé mètres offrir un large gamme de mesure paramètres au-delà kWh
- Hautement configurable pour un variété de applications
- Soutenir pour réseau utilisateur interface
- Modbus RTU (RS485) / TCP (Ethernet)
- BACnet MSTP (RS485 / IP (Ethernet)
- Plus utiliser un logiciel ou navigateur-basé utilisateur interface pour configuration
- D'occasion largement pour commercial & industriel applications
- Avancé Mètre Données
- Avancé mètres surveiller et signaler tous de leur données points
- Permettre analytique sur un variété de énergie usage et qualité paramètres.
- kW / net énergie
- kVA / kVAR
- Puissance Facteur
- Tension / Freq
- Idéal quand plus énergie données requis
Avantages
- Compléter données fixer au-delà kWh
- Fiable
- Hautement configurable
- Leviton la mise en service services hautement recommandé.
- Beaucoup de disponible modèles à soutenir unique-phase, 2-phase et 3-phase applications
- Soutenir pour Modbus & BACnet interface
- Facilement réseau
Contre
- Plus complexe à installer et configurer
- Un peu plus cher
Avancé Mètres
- Série 3500
- 3-phase mètres (100A –5000A)
- Modbus TCP ou BACnet IP (Ethernet)
- Intérieur ou de plein air enceinte les options
- Série 4000
- 3-phase mètres (100A –5000A)
- Solide Cœur, Divisé Cœur & Rogowski CT les options
- Modbus RTU (RS485)
- De plein air enceinte ou VACARME rail monter les options
- Série 4100
- 3-phase mètres (100A –5000A)
- Bi-directionnel version de la Série 4000
- Modbus RTU ou BACnet MS/TP (RS485)
- De plein air enceinte ou VACARME rail monter les options
Avancé Multiples-Circuit Mètres
- Avancé mètres offrir un large gamme de mesure paramètres au-delà kWh
- Hautement configurable pour un variété de applications
- Soutenir pour réseau utilisateur interface
- Modbus RTU (RS485) / TCP (Ethernet)
- BACnet MSTP (RS485) / IP (Ethernet)
- Plus utiliser un logiciel ou navigateur-basé utilisateur interface pour configuration
- D'occasion largement pour commercial & industriel applications
- Avancé Mètre Données
- Avancé mètres surveiller et signaler tous de leur données points
- Permettre analytique sur un variété de énergie usage et qualité paramètres.
- kW / net énergie
- kVA / kVAR
- Puissance Facteur
- Tension / Freq
- Idéal pour mesure multiple charges à partir de un commun source
- Idéal quand plus énergie données requis
Avantages
- Surveiller multiple circuits à partir de un unique mètre plate-forme (12 à 48 circuits)
- Coût par mètre point est baisser
- Compléter données fixer au-delà kWh
- Sauve espace
- Facilement réseau
- Fiable
- Hautement configurable
- Leviton la mise en service services hautement recommandé.
- Modèles à soutenir unique-phase, 2-phase et 3-phase applications
- Soutenir pour Modbus & BACnet interface
Contre
- Plus complexe à installer et configurer
Leviton Avancé Multiples-Circuit Mètres
- Série 8000
- 1, 2 ou 3-phase configurations (100A –5000A)
- 24 Circuits (configurable pour 24 x 1P, 12 x 2P, 8 x 3P)
- Solide Cœur & Divisé Cœur CT les options
- Modbus RTU (RS485), Modbus TCP ou IP (Ethernet)
- Série 7100
- 16 x 3-phase mètres (50A –4000A)
- Solide Cœur, Divisé Cœur & Rogowski CT les options
- Modbus RTU ou BACnet MS/TP (RS485), Modbus TCP ou BACnet IP (Ethernet)
- Série 7000
- Intégré version sans la enceinte
- 16 x 3-phase mètres (50A –4000A)
- Solide Cœur, Divisé Cœur & Rogowski CT les options
- Modbus RTU ou BACnet MS/TP (RS485), Modbus TCP ou BACnet IP (Ethernet)
Haut Densité Impulsion Module (A8911)
- Rassemble impulsion données à partir de jusqu'à à 23 impulsion mètres
- Consolide la données à un unique Modbus données ruisseau
- Nécessite un 24VDC puissance fournir
Où à utiliser il:
- Fonctionne avec tous la impulsion mètres (électrique, eau, gaz)
- Clé composant en multiple mètre installations, par intérim comme un impulsion données moyeu
- Fréquemment intégré en MMU armoires à relier tous la mètres à un unique Modbus sortie.
Fléchir Je/O Module (A8332)
- Rassemble impulsion données à partir de jusqu'à à 8 utilisateur défini dispositif entrées
- Impulsion entrées
- 4-20mA dispositif entrées
- Résistive
- Consolide la données à un unique Modbus données ruisseau
- Nécessite un 24VDC puissance fournir
Où à utiliser il:
- Idéal quand là sont entrées autre que impulsion mètres que besoin à être capturé
- Également fonctionne avec tous la impulsion mètres (électrique, eau, gaz)
Modhopper (R9120)
- Actes comme un sans fil Modbus émetteur-récepteur
- Crée 900MHz Sans fil Mailler Réseau
- Comprend RS485 contribution pour jusqu'à à 32 dispositifs de
- Comprend 2 impulsion entrées
- Nécessite un 24VDC puissance fournir
Où à utiliser il:
- Utiliser où fonctionnement Modbus (RS485) câble est problématique.
- Idéal en campus emplacements à atteindre entre bâtiments.
- Fonctionne avec tous la impulsion mètres (électrique, eau, gaz)
- Il est un sans fil dispositif: Être conscient de sans fil obstacles et effacer ligne de vue questions avec dispositif placement
Sans fil Automatisé Mètre Lecture (AMR)
- 902 Megahertz Sans fil Mailler Réseau
- Impulsion mètre données seulement
- Système composants
- Mètre Données Émetteur-récepteur (MDT) T70MB
- Un MDT attaché à chaque mètre
- Répéteurs T95RX
- Comme nécessaire à construire un fort mailler réseau
- Données Concentration Accéder Point (DCAP) T25DX
- Un par site -captures tous la mètre impulsion données et pousse il dehors comme CSV dossier
Où à utiliser il:
- Pour utiliser avec impulsion mètres. (Mini- Mètre, Série 1000/2000)
- MDT vient intégré avec Mini- Mètre (MDTSW / MDTFW)
- Idéal pour multiples-locataire résidentiel applications
EMB Moyeu-Lite A7810
- Consolide impulsion mesure données à partir de jusqu'à à 4 mètres.
- Comprend 4 standard impulsion entrées (aucun Modbus sur cette modèle)
- Crée un CSV dossier avec la combiné données
- Vers l'avant la données à utilisateur spécifié emplacement:
- BMO nuage logiciel plate-forme
- 3rd partie logiciel plate-forme
- FTP site
- Dossier télécharger à ORDINATEUR PERSONNEL
- Intégré, utilisateur amical navigateur interface
Où à utiliser il:
- Idéal pour petit impulsion mètre systèmes (4 mètres ou moins)
- Utiliser avec Med (4 mètre) MMU
- Disponible séparément, ou en NEMA enceinte avec puissance fournir
EMB Moyeu A8810
- Consolide mesure & capteur données à partir de jusqu'à à 32 Modbus RTU dispositifs de (RS485)
- Compatible avec un large variété de mètres et Modbus capteurs
- Intégré conducteurs pour plus dispositifs de
- Facile installation
- Crée un CSV dossier avec la combiné données
- Vers l'avant la données à utilisateur spécifié emplacement:
- BMO nuage logiciel plate-forme
- 3rd partie logiciel plate-forme
- FTP site
- Dossier télécharger à ORDINATEUR PERSONNEL
- Intégré, utilisateur amical navigateur interface
Où à utiliser il:
- Idéal pour grand intégré mètre systèmes (impulsion ou Modbus)
- Utiliser avec HD Impulsion Module (A8911) pour impulsion mètre intégration
- Disponible séparément, ou en NEMA enceinte avec puissance fournir
EMH Moyeu A8812
- Consolide mesure & capteur données à partir de jusqu'à à 32 Modbus RTU dispositifs de (RS485) + 8 impulsion entrées
- Interface à Modbus RTU (RS485)
- Compatible avec un large variété de mètres et Modbus capteurs
- Intégré conducteurs pour plus dispositifs de
- Facile installation
- Crée un CSV dossier avec la combiné données
- Vers l'avant la données à utilisateur spécifié emplacement:
- BMO nuage logiciel plate-forme
- 3rd partie logiciel plate-forme
- FTP site
- Dossier télécharger à ORDINATEUR PERSONNEL
- Intégré, utilisateur amical navigateur interface
Où à utiliser il:
- Idéal pour grand intégré mètre systèmes (impulsion ou Modbus)
- Idéal pour installations avec un mélanger de impulsion & Modbus dispositifs de
- Où un mur monté métal enceinte avec un verrouillage option est souhaitable.
Haut-Augmenter Résidentiel
(Multiple Habitation Unités)
Leviton est votre unique source pour un compléter locataire mesure solution spécifiquement adapté à haut-densité applications.
- Un solution construit autour la Série 8000 est particulièrement coût-efficace pour nouveau construction dû à son capacité et flexibilité.
- La Série 8000 submeter est facile à installer et fil et permet compléter flexibilité à s'adapter tout projet conception et est configurable pour tout type de électrique service y compris:
- 120/208V 1P3W (120/208V 3P4W service à la panneau)
- 120/240V 1P3W
- 120/208V 3P4W
La Leviton Avantage
- Minimal mur espace et réduit construction frais
- Interface pour eau, gaz, BTU, etc. mètres en un unique système
- Leviton usine techniciens fournir système démarrage, programmation et formation services
- Ouvrir architecture fournit flexibilité à utiliser votre choix de troisième-partie facturation entreprise ou VerifEye BMO Locataire Facturation Module
- Utiliser A8911 HD Impulsion Module pour impulsion gaz & eau mètre capturer
- Utiliser Série 8000 mètre à la panneau à mètre la principal circuit pour chaque individuel appartement/unité.
- Utiliser la A8812 ou A8810 Moyeu à consolider la données à partir de tous la mètres
- Pousser la données à BMO Locataire Facturation Module ou un 3rdparty facturation logiciel solution
Sans fil AMR Résidentiel
(Multiple Habitation Unités)
Leviton offre un compléter sans fil locataire mesure solution qui est idéalement adapté à multiples-locataire applications.
- Un solution construit autour la Mini- Mètre est particulièrement coût-efficace pour nouveau construction, à l'aide sans fil émetteurs plutôt de dur-câblé mètres.
- La flush monter ou surface monter Mini- Mètre est facile à installer en chaque unité.
- Soutient 120/208/240V service jusqu'à à 200A
La Leviton Avantage
- Facile à modifier avec robuste sans fil système
- Petit empreinte avec flush monter ou surface monter enceintes
- Sans fil soutenir pour facile intégration de eau & gaz, mètres en un unique système
- Leviton usine techniciens fournir système démarrage, programmation et formation services
- Ouvrir architecture fournit flexibilité à utiliser votre choix de troisième-partie facturation entreprise ou VerifEye BMO Locataire Facturation Module
- Utiliser Mini- Mètre avec Sans fil AMR installé en chaque individuel appartement/unité.
- Utiliser standard Sans fil MDT pour impulsion gaz & eau mètre capturer
- Utiliser Sans fil Répéteurs, comme nécessaire à construire un solide mailler réseau
- Utiliser la Sans fil DCAP à consolider tous la sans fil données à partir de chaque unité
- (En option) Utiliser la A8810 Moyeu à pousser la données à partir de la DCAP
- Pousser la données à 3rd partie facturation logiciel ou télécharger la CSV dossier diriger à partir de la moyeu
Commercial/Mixte Utiliser
Si pour un petit, deux-histoire bureau bâtiment, un étendu commercial bureau complexe ou un nouveau mixte-utiliser facilité, Leviton a la droit combinaison de composants et compétence à livrer la optimale solution.
- Réorienter la reddition de comptes pour énergie usage à locataires et rationaliser comptabilité opérations avec un Leviton solution.
- Précis surveillance de locataire les services publics et majeur bâtiment systèmes boîte générer substantiel coût épargnes.
La Leviton Avantage
- Facile à installer, économie temps et main-d'œuvre frais
- Compléter, coût efficace système solution
- Universel énergie information avec ouvrir protocole et interface
- Toile/Navigateur basé accéder à données et rapports avec BMO logiciel solutions
- Compatibilité avec 3rd partie facturation logiciel solutions
- Utiliser Série 7100 mètres à la panneau pour haut densité panneau mesure
- Hautement configurable pour un variété de charger types
- Utiliser Série 2000 impulsion mètres pour isolé 3-phase charges.
- Utiliser HD Impulsion modules (A8911) à capturer données à partir de S2000, gaz et eau mètres.
- Utiliser la A8810 Moyeu à consolider la données à partir de la mètres et HD Impulsion modules
- Pousser la données à BMO, 3rd partie facturation logiciel, ou télécharger la CSV dossier diriger à partir de la moyeu
- Utiliser BACnet interface avec A8810 moyeu à part données avec BMS système
Commercial/Mixte Utiliser
(avec Sans fil)
Leviton VerifEye traits un gamme de dispositifs de que intégrer standard protocoles, sans fil les options et divisé cœur CT technologies, fabrication rénovations relativement facile et peu coûteux.
Précis locataire facturation de électrique, eau, gaz et commun zone utilitaire usage
- Réorienter la reddition de comptes pour énergie usage à locataires et rationaliser comptabilité opérations
- Précis surveillance de locataire les services publics et majeur bâtiment systèmes boîte générer substantiel coût épargnes.
La Leviton Avantage
- Facile à installer, économie temps et main-d'œuvre frais
- Compléter, coût efficace système solution
- Modhopper sans fil rend rénovations facile.
- Toile/Navigateur basé accéder à données et rapports avec BMO logiciel solutions
- Compatibilité avec 3rd partie facturation logiciel solutions
- Utiliser Série 7100 ou 8000 mètres à la panneau pour haut densité panneau mesure
- Hautement configurable pour un variété de charger types
- Utiliser Série 2000 impulsion mètres pour isolé 3-phase charges.
- Utiliser HD Impulsion modules (A8911) à capturer données à partir de S2000, gaz et eau mètres.
- Utiliser Modhopper (R9120) Sans fil pour modifier où fonctionnement RS485 câblage est problématique
- Utiliser la A8810 Moyeu à consolider la données à partir de la mètres et HD Impulsion modules
- Pousser la données à BMO, 3rd partie facturation logiciel, ou télécharger la CSV dossier diriger à partir de la moyeu
- Utiliser BACnet interface avec A8810 moyeu à part données avec BMS système
Pédagogique & Professionnel Campus
Moderne aménagements sont de plus en plus dépendant sur technologie. Ordinateurs à chaque bureau, sophistiqué Un/V équipement en chaque chambre, tous consommant énergie.
VerifEye systèmes permettre énergie submetering à partir de la ensemble bâtiment vers le bas à individuel branche circuits sur un unique, campus-large plate-forme. Énergie données est commun avec énergie surveillance logiciel, EMS/BMS, tableaux de bord, ESCOs, etc.
La Leviton Avantage
- Facile à installer, économie temps et main-d'œuvre frais
- Large ligne de produits, coût efficace système solution
- Hautement évolutive
- Effacer visibilité en en aval énergie données facilite départemental coût allocation et SIDA en prévision avenir énergie besoins
- Ouvrir système, compatible avec BMO, 3rd partie logiciel, & EMS/BMS
- Utiliser Série 8000 mètres à la panneau pour haut densité panneau mesure
- Hautement configurable pour un variété de charger types
- Utiliser Série 3500 mètres pour isolé 3-phase charges.
- Utiliser existant CAT5/6 (Ethernet) colonne vertébrale pour système communication
- Utiliser la A8812 Moyeu à consolider la données à partir de la mètres
- Pousser la données à BMO, 3rd partie rapports et facturation logiciel, ou télécharger la CSV dossier diriger à partir de la moyeu
- Utiliser BACnet interface avec A8810 moyeu à part données avec BMS système
Industriel/Fabrication
Il prend un énorme montant de énergie à courir fabrication processus équipement, éclairage et HVAC systèmes dans un typique usine. Usines et industriel aménagements boîte atteindre significatif coût épargnes par l'amélioration de équipement performance, par charger déplacement, et par l'élimination gaspilleur consommation.
En addition, précis allocation de utilitaire frais fabriqué possible à travers énergie surveillance boîte améliorer gestion de par-unité production frais. Énergie surveillance données boîte faciliter un robuste énergie gestion et amélioration plan que si utilisé correctement, volonté fournir significatif épargnes opportunités.
La Leviton Avantage
- Hautement évolutive
- Facile à installer, économie temps et main-d'œuvre frais
- Large ligne de produits, coût efficace système solution
- Effacer visibilité en en aval énergie données facilite départemental coût allocation et SIDA en prévision avenir énergie besoins
- Ouvrir système, compatible avec BMO, 3rd partie logiciel, & EMS/BMS
- Utiliser Série 4000 Modbus (RS485) mètres pour industriel charges
- Hautement configurable pour un variété de charger types
- Utiliser Série 3500 Modbus TCP (Ethernet) mètres pour isolé 3-phase charges.
- Utiliser existant CAT5/6 (Ethernet) colonne vertébrale pour système communication
- Utiliser la A8812 Moyeu à consolider la données à partir de la mètres
- Pousser la données à BMO, 3rd partie facturation logiciel, ou télécharger la CSV dossier diriger à partir de la moyeu
- Utiliser BACnet interface avec A8810 moyeu à part données avec BMS système
