GreenMAX RDC est énumérées sur la DesignLights Consortium® (DLC) Qualifié Produit Liste (QPL) pour Réseau Éclairage Contrôles (NLC).
Saphir Chambre Contrôleur
Pleinement personnalisable utilisateur interface que intègre avec la GreenMAX RDC Chambre Contrôler Système.
Intelligent Emballer
Permet commutation et 0-10V atténuation contrôler de un unique zone de appareils.
Numérique Capteur
Occupation/vacance détection à l'aide PIR technologie avec un intégré photocellule.
Bas Tension Chambre Contrôleur
Sert comme la “cerveau” de tout GreenMAX RDC Chambre Contrôler Système par coordination la entreprise logique dans la chambre.
Numérique Clavier
Clavier utilisateur interface avec coutume gravure pour la GreenMAX RDC Chambre Contrôler Système.
GreenMAX RDC App
La seulement installation outil nécessaire—contrôler, commission et gérer la système à partir de la paume de votre main.
Phase Contrôler Variateur
Intègre 2-wire phase contrôler charges en la GreenMAX RDC Chambre Contrôler Système.
RDC 2-Port Analogique Interface
Intègre analogique capteurs et photocellules en la GreenMAX RDC Chambre Contrôler Système.
DALI Porte
Permet RDC LumaCAN systèmes à contrôler DALI appareils.
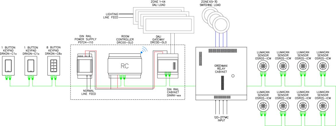
Ligne Tension Chambre Contrôleur
La "cerveau" de la GreenMAX RDC Chambre Contrôler Système pour ligne tension applications, utiliser avec Intelligent Les packs.
GreenMAX RDC
Révolutionner votre facilité avec la Leviton GreenMAX RDC Chambre Contrôler Système, conçu à adresse la éclairage contrôler besoins de aujourd'hui, et façonner la tendances et exigences de la avenir.
GreenMAX RDC 2-Zone Plus Éclairage naturel, Typique
GreenMAX RDC Ligne Tension Chambre Contrôleur 70-Zone Multiples-Emplacement Atténuation et DALI Intégration Plus Éclairage naturel, Typique
